Ürün Açıklaması
Aşağıda gösterilen Çift 3000K 6000K Verici yüksek güçlü LED çip özellikleri:
| Ürün adı | Çift 3000K 6000K Verici yüksek güçlü LED çipi |
| Parça numarası | GZ-1408W6W3-2BZ1-GH45G |
| Cips markası |
Tayvan Epileds 45mil*2 çip, her renk yalnızca 1 çiple |
| Giriş |
Her renk 3W ile 700mA |
| Akı |
Sıcak beyaz 3000K: 240-280lm, 700mA 3W'de; Soğuk beyaz 6000K: 260-300lm, 700mA 3W'de; Ra>70 or Ra>80 burada mevcut |
| Renk |
Sıcak beyaz 3000K: 2900-3100K Soğuk beyaz 6000K: 6000-6500K |
| Güç | 2*3W= toplam 6W, her renk 3W |
| Tahta malzemesi |
Verici güç LED'i paketi |
| Aydınlatma açısı |
120-140 derece |
| Marka ve üretici | GMLED'ler, GMKJ |
| Garanti | 4 yıl |
| OEM hizmeti |
1. Alüminyum PCB panoları montaj hizmeti mevcuttur
2. Başka bir renk karışımına ihtiyacınız varsa: kırmızı terapi ışığı için 660nm+850nm; LED yetiştirme ışıkları için 660nm+450nm; Güvenlik güvenlik kamerası için 850nm+beyaz 6000K; Burada da renk karıştırma özelleştirilmiş hizmetimiz var. |
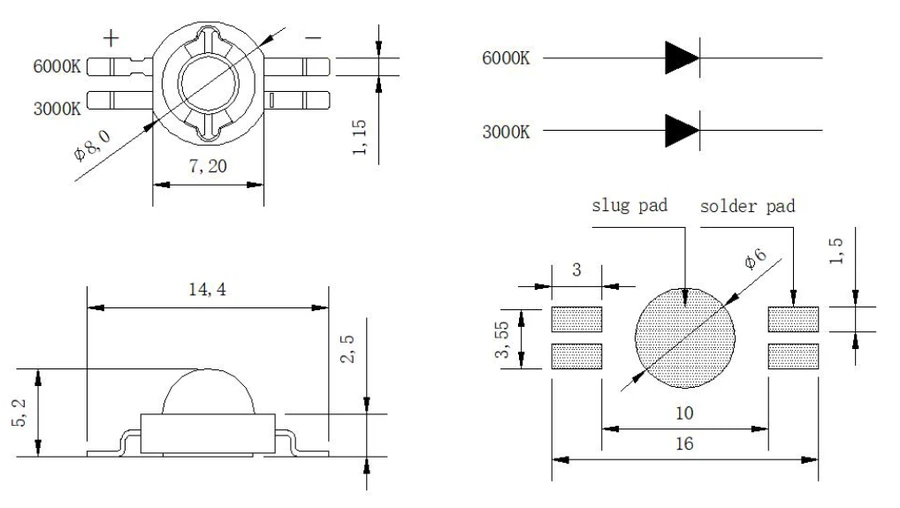
Çift 3000K 6000K Verici yüksek güçlü LED çip boyutu:

Çift 3000K 6000K Verici yüksek güçlü LED çip resmi:
| Önden görünüş | Arka yan ped görünümü |
![]() |
![]() |
Çift 3000K 6000K Verici yüksek güçlü LED çipi teknik özellikleri:
|
Parametre |
Sembol |
Koşullar |
Min. |
Ortalama |
Maksimum |
Birimler |
|
İleri Gerilim |
VF-W3 |
IF=700mA |
3.20 |
-- |
3.60 |
V |
|
VF-W6 Serisi |
3.20 |
3.60 |
||||
|
Karta Termal Direnç Bağlantısı |
RΘJ-B |
IF=700mA |
-- |
8 |
-- |
derece /W |
|
Işık Akısı / Radyant Akı |
Φv-W3 |
IF=700mA |
240 |
-- |
280 |
ben |
|
Φv-W6 |
260 |
300 |
||||
|
Renk sıcaklığı |
SKK-W3 Serisi |
IF=700mA |
2800 |
-- |
3200 |
K |
|
SKK-W6 Serisi |
6000 |
7000 |
||||
|
İleri Gerilimin Sıcaklık Katsayısı |
∆VF/∆T |
IF=700mA |
−− |
-2 |
−− |
mV/ derece |
|
Ters akım |
IR |
VR=5V |
−− |
−− |
10 |
μ A |
|
Görüş açısı |
2Θ1/2 |
IF=700mA |
−− |
140 |
−− |
Derece |
TC & gruplama
|
ÇÖP KUTUSU |
Sembol |
Min. |
Ort. |
Maksimum |
Birimler |
|
T28 |
TC |
2800 |
-- |
3000 |
K |
|
T30 |
TC |
3000 |
-- |
3200 |
K |
|
T60 |
TC |
6000 |
-- |
6500 |
K |
|
T65 |
TC |
6500 |
-- |
7000 |
K |

Daha fazla ayrıntı için lütfen doğrudan GMLED Ekibine yazın!
Popüler Etiketler: çift 3000k 6000k emitör yüksek güçlü led çip, Çin, üreticiler, tedarikçiler, fabrika, fiyat, ucuz, fiyat teklifi, veri sayfası, teknik özellikler, teknik özellikler















